◆ 모델 : YG60 YG100 YG150
◆ 사용 :이 일련의 게이지의 모든 부분은 스테인레스 스틸로 만들어졌으며 주요 부분은 1CR18NI9, OCR18NI12MO2TI, SUS316, SUS316L 등으로 만들어집니다. 각 부품의 용접은 특수한 프로세스에 의해 이루어집니다. 그중에서도 부식 내성 고온 압력 게이지는 부식성 환경에 적합한 탁월한 고온 및 부식성 성능을 가지고 있으며, 약한 부식성을 감지 할 수 있지만 결정화, 비 용합, 낮은 점도 고온 매체를 감지 할 수 있습니다. 석유, 화학, 살충제, 고무, 천연 가스 및 기타 산업에서 널리 사용됩니다.
◆ 기술 매개 변수 :
| 모델 번호 | YG60 | YG100 | YG150 | ||
| 공칭 직경 | φ 60 | φ 100 | φ 150 | ||
| 장착 유형 | ⅰ | * | * | * | |
| ⅱ | * | * | * | ||
| ⅲ | * | / | / | ||
| ⅳ | * | * | * | ||
| ⅴ | * | / | / | ||
| ⅵ | * | * | * | ||
| 커넥터 스레드 | M14 × 1.5 | M20 × 1.5 | |||
| 정확도 클래스 | 2.5 | 1.6 | |||
| 측정 범위 ( MPA 둔다 | 빈: -0.1 ~ 0 압력 진공 : -0.1 ~ 0.06 -0.1 ~ 0.15 -0.1 ~ 0.3-0.1 ~ 0.5 -0.1 ~ 0.9 -0.1 ~ 1.5 -0.1 ~ 2.4 압력: 0 ~ 0.1 0 ~ 0.16 0 ~ 0.25 0 ~ 0.4 0 ~ 0.6 0 ~ 1 0 ~ 1.6 0 ~ 2.5 0 ~ 4 0 ~ 6 0 ~ 10 0 ~ 16 0 ~ 25 0 ~ 40 0 ~ 60 0 ~ 100 、 0 ~ 160 、 0 ~ 250 | ||||
| 환경 적 사용 조건 | 온도 : -40 ℃~ 70 ℃ | ||||
| 온도 | 직접 설치 : ≤ 150 ℃ | ||||
| 온도: ≤ 500 ℃ | |||||
| 온도 효과 오류 | δ = ± ± ± ± δ 케이 Δ 티 둔다 δ—— 주변 온도가 20 ± 5 ℃에서 벗어나는 경우 디스플레이 값 오차의 허용 값과 주변 온도가 20 ± 5 ℃에서 벗어날 때 디스플레이 값 오차의 허용 값. 비율 δ—— 기기의 고유 오류의 절대 값. 비율 케이 —— 0.04%/° C의 값을 가진 온도 효과 계수 Δ 티 —— Bourdon 튜브에서 매체의 온도 ℃ -25 β | ||||
| 진동 등급 | 다섯 · 시간 · 3 | ||||
| Borden 튜브 재료 | OCR18NI12MO2TI ; SUS316 ; SUS316L | ||||
| 주택, 커넥터 재료 | 1cr18ni9ti ; SUS304 | ||||
| 보호 수업 | IP65 | ||||
| 구현 표준 | GB/T 1226 | ||||
| 참고 : 1. 공동 스레드는 사용자 요구 사항에 따라 사용자 정의 할 수 있습니다. | |||||
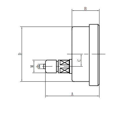
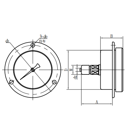
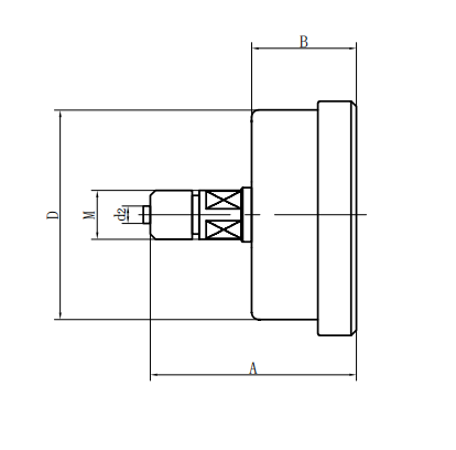
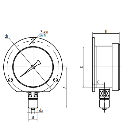
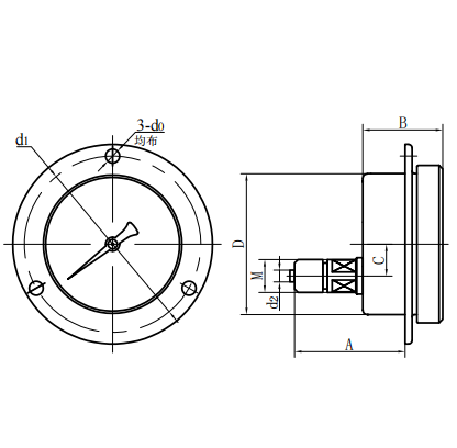
◆ 외부 치수 :
| 방사형 직접 유형 (() | 축 편심 직접 유형 (ⅱ) |
| 축 방향 동심 직접 유형 (III) | 축 편심 삽입 유형 (IV) |
| 축 방향 동심 삽입 유형 (V) | 방사형 볼록 유형 (vi) |
| 모델 번호 | 전체 치수 ( mm 둔다 | |||||||
| 에이 | 비 | 기음 | 디 | D0 | D1 | D2 | 중 | |
| YG60 -ⅰ | 56 | 33 | 11 | φ 60 | / | / | φ 5 | M14 × 1.5 |
| YG60 -ⅱ | 61 | 32.5 | 18 | φ 60 | / | / | φ 5 | |
| YG60 -ⅲ | 61 | 32.5 | / | φ 60 | / | / | φ 5 | M14 × 1.5 |
| YG60 -ⅳ | 55 | 32.5 | 18 | φ 60 | φ 5 | φ 75 | φ 5 | |
| YG60 -ⅴ | 55 | 32.5 | / | φ 60 | φ 5 | φ 75 | φ 5 | M14 × 1.5 |
| YG60 -ⅵ | 56 | 33 | 11 | φ 60 | φ 5 | φ 75 | φ 5 | M14 × 1.5 |
| YG100 -ⅰ | 90 | 48 | 15 | φ 100 | / | / | φ 6 | M20 × 1.5 |
| YG100 -ⅱ | 83 | 44 | 34 | φ 100 | / | / | φ 6 | M20 × 1.5 |
| YG100 -ⅳ | 68 | 44 | 34 | φ 100 | φ 6 | φ 118 | φ 6 | M20 × 1.5 |
| YG100 -ⅵ | 90 | 48 | 15 | φ 100 | φ 6 | φ 118 | φ 6 | M20 × 1.5 |
| YG150 -ⅰ | 117 | 51 | 16.5 | φ 150 | / | / | φ 6 | M20 × 1.5 |
| YG150 -ⅱ | 92 | 52 | 55 | φ 150 | / | / | φ 6 | M20 × 1.5 |
| YG150 -ⅳ | 69 | 52 | 55 | φ 150 | φ 6 | φ 165 | φ 6 | M20 × 1.5 |
| YG150 -ⅵ | 117 | 53 | 28 | φ 150 | φ 6 | φ 165 | φ 6 | M20 × 1.5 |
















