◆ 기술 매개 변수 :
| 모델 | CYBN100 | CYBN150 |
| 공칭 직경 | φ 100 | φ 150 |
| 장착 유형 | 방사형 볼록 장착 평행 인터페이스 | * | * |
| 방사형 볼록 장착 8 자 인터페이스 | | * |
| 편심 편심 플러시 유형 | * | * |
| 측정 범위 | 차등 압력 측정 범위 KPA | 명사 같은 작업 압력 KPA | 차등 압력 측정 범위 MPA | 명사 같은 작업 압력 MPA |
| 0 ~ 10 | 60 | 0 ~ 0.16 | 1 |
| 0 ~ 16 | 100 | 0 ~ 0.25 | 1.6 |
| 0 ~ 25 | 160 | 0 ~ 0.4 | 2.5 |
| 0 ~ 40 | 250 | 0 ~ 0.6 | 4 |
| 0 ~ 60 | 400 | 0 ~ 1 | 6 |
| 0 ~ 100 | 600 | 0 ~ 1.6 | 10 |
| | | 0 ~ 2.5 | 10 |
| 정확도 클래스 | 2.5 |
| 피팅 스레드 | M20 × 1.5 |
| 주변 온도를 사용하십시오 | -40 ℃~ 70 ℃ |
| 사용될 배지의 온도 | ≤ 60 ℃ |
| 진동 저항 등급 | 다섯 · 시간 · 4 |
| 인클로저 등급 | IP65 |
| 무게 | 약 1.5kg |
| 임펄스 시스템의 재료 | 0CR17NI12MO2 、 SUS316 |
| 케이스 및 기타 재료 | 1CR18NI9 、 SUS304 |
| 표준을 시행하십시오 | JB/T 12015-2014 |
| 메모: 1 . 공동 스레드는 사용자 요구 사항에 따라 사용자 정의 할 수 있습니다. |
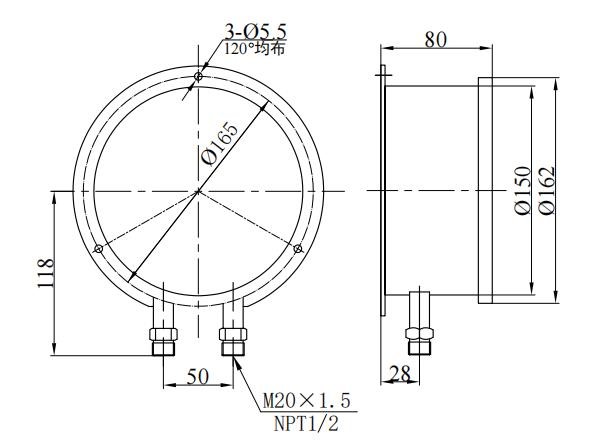
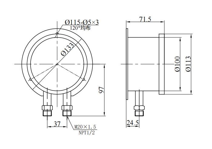
◆ 외관 및 설치 크기 :
| CYBN100 평행 인터페이스 | CYBN150 평행 인터페이스 |
| CYBN150 바지 인터페이스 | CYBN150 축 편심 |
◆ 구조적 원리 :
이 기기는 이중 부르돈 튜브 구조,,, 즉 두 개의 부르 돈 튜브가 "I"브래킷의 양쪽에 대칭 위치에 설치됩니다. "I"브래킷의 상단 및 하단 섹션은 각각의 이동성 끝과 고정 끝이며, 중간은 스프링 조각으로 연결되어 있습니다. 두 부르돈 튜브는 평행 상태에 있으며 각각 도관과 함께 케이스의 고전력 및 저전압 조인트와 연결되어 있습니다. 기어 변속기 메커니즘은 브라켓의 고정 된 끝에 직접 설치되어 있습니다. 기어 변속기 메커니즘.
◆ 작업 원리 : 압력 감지 요소를 기반으로, 동일한 강성을 가진 2 개의 부르돈 튜브가 사용되므로, 스프링 블레이드의 양면이 동일한 순간의 작용 하에서 결함이 생성되기 때문에 스프링 블레이드의 양면이 동일한 위치에 있지 않기 때문에 동일한 측정 된 브래킷에서 동일한 측정 된 매체 하에서 동일한 집중력을 각각 생성해야합니다. 위치.
다른 압력이 적용될 때 (일반적으로 고압 끝이 저압 말단보다 높습니다) , 이동성 지지대에 작용하는 2 개의 부르돈 튜브의 힘은 각각 상응하는 변위가 생성되고, 기어 전송 메커니즘이 각각 생성되고, 기어 간 압력 값은 포인터가 훼손된 후에 표시됩니다.
◆ 예방 조치 :
1 기기는 측정 지점과 동일한 수준의 위치에 수직으로 설치해야하며, 그렇지 않으면 액체 레벨 차이로 인한 추가 오류를 고려해야합니다.
2 . "로 표시된 계기 커넥터" 시간 " 또는 " "고전압 끝이며, 표시된 것" 엘 " 또는 " - "저전압은 저전압이며 설치 중에는 반전 할 수 없습니다.
3 . 계측기가 차압을 측정하면 차압 값을 사용할 수 있습니다. 75% 스케일 범위의 상한 및 시스템의 최대 정압 값이 기기에 의해 지정된 최대 정압 값을 초과해서는 안됩니다.
4. 그림과 같이 4 , 균형 (안전) 밸브 (밸브 1 ) 설치 중에 계측기의 고압 입력 포트 앞에 설정되어야하며 열린 위치에 있어야하며 밸브 후에 밸브 밸브를 닫아야합니다. 2 그리고 밸브 3 모두 열립니다.
5 . 사용하기 전에 기기는 측정 된 배지에 의해 야기 된 침식 정도를 신중하게 확인하여 부르돈 튜브에 조기 부식 손상을 일으키지 않도록해야합니다.
6 . 계측기가 정기적으로 유지되면 미터 덮개를 열어야하는 경우 특수 도구를 사용하는 것이 좋습니다.
7 . 기기가 온도 변화의 영향을 받고 표시 오류가 증가하고 측정의 정확도에 영향을 미치면 케이스의 플러그 보스를 차단하여 케이스의 내부 및 외부를 통신하고 공기 압력이 균형을 이룰 수 있습니다.
◆ 주문 통지 :
계측기를 주문할 때 사용자는 다음을 표시해야합니다.
1. 이름 및 모델, 차압 범위, 최대 정적 압력, 측정 단위, 정확도 수준;
2. 조인트 스레드 크기 : 기존 M20 × 1.5 , NPT1/2 (또는 고객 지정);
3. 참고 : 사용자를 대신하여 3 개의 밸브 그룹을 사용자 정의 할 수 있습니다 (밸브 1 ~ 3 그림에서 4 )