◆ 모델 : YLM60 YLM100 YLM150
◆ 응용 :이 일련의 기기는 에어컨 냉장고, 물 냉각기, 공기 건조기 또는 조립 냉매 미터 그룹 시스템에 주로 사용되는 저온 또는 특수 냉매 매체를 감지하기위한 특수 기기입니다.
또한 고객의 요구 사항에 따라 다른 냉매 멀티 표지 패널을 만들 수 있으며 고객이 선택할 수있는 많은 종류의 캡 및 케이스 (스위스 스타일)가 있습니다.
최적화 된 커넥터 설계 및 용접 재료 및 압력 감지 성분의 선택에 대한 특별한 고려 사항으로 인해이 일련의 제품은 항 누생, 억압 펄스 및 방지 방지의 탁월한 특성을 가지므로 기기의 품질이 크게 향상되며 제품 품질 문제로 인한 냉장 시스템의 오작동 및 손실이 제거됩니다. .
◆ 기술 매개 변수 :
| 모델 번호 | YLM60 | YLM100 | YLM150 | |
| 공칭 직경 | φ 60 | φ 100 | φ 150 | |
| 장착 유형 | ⅰ | * | * | * |
| ⅱ | * | * | * | |
| ⅲ | * | / | / | |
| ⅳ | * | * | * | |
| ⅴ | * | / | / | |
| ⅵ | * | * | * | |
| 커넥터 스레드 | M14 × 1.5 | M20 × 1.5 | ||
| 정확도 클래스 | 2.5 | 1.6 | ||
| 측정 범위 ( MPA 둔다 | 저전압 : ay 30 ~ 0 …… 15 둔다 kg ,,, 1.8mpa 압제 : ( 0 ~ 35 둔다 kg ,,, 3.8mpa | |||
| 미디어 유형 사양 | R134A 、 R22A 、 R404A 、 R407A | |||
| 환경 적 사용 조건 | 온도 : -20 ℃~ 60 ℃; 상대 습도 : ≤ 80 % | |||
| 진동 등급 | 다섯 · 시간 · 3 | |||
| 보호 수업 | IP54 | |||
| 구현 표준 | GB/T 1226 | |||
| 참고 : 1. 공동 스레드는 사용자 요구 사항에 따라 사용자 정의 할 수 있습니다. | ||||
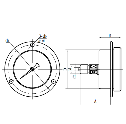
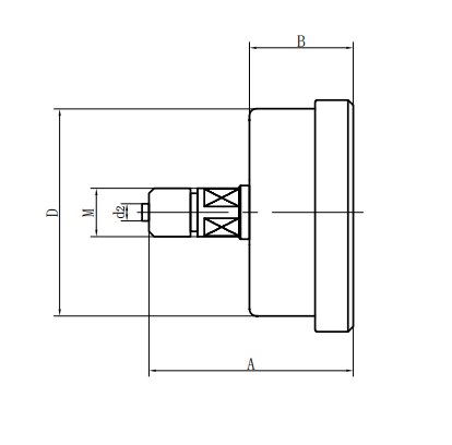
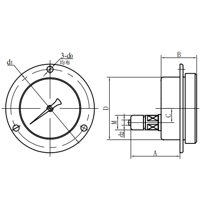
◆ 외부 치수 :
| 방사형 직접 유형 (() | 축 편심 직접 유형 (ⅱ) |
| 축 방향 동심 직접 유형 (III) | 축 편심 삽입 유형 (IV) |
| 축 방향 동심 삽입 유형 (V) | 방사형 볼록 유형 (vi) |
| 모델 번호 | 전체 치수 ( mm 둔다 | |||||||
| 에이 | 비 | 기음 | 디 | D0 | D1 | D2 | 중 | |
| YLM60 -ⅰ | 56 | 33 | 11 | φ 60 | / | / | φ 5 | M14 × 1.5 |
| YLM60 -ⅱ | 61 | 32.5 | 18 | φ 60 | / | / | | |
| YLM60 -ⅲ | 61 | 32.5 | / | φ 60 | / | / | φ 5 | M14 × 1.5 |
| YLM60 -ⅳ | 55 | 32.5 | 18 | φ 60 | φ 5 | φ 75 | | |
| YLM60 -ⅴ | 55 | 32.5 | / | φ 60 | φ 5 | φ 75 | φ 5 | M14 × 1.5 |
| YLM60 -ⅵ | 56 | 33 | 11 | φ 60 | φ 5 | φ 75 | φ 5 | M14 × 1.5 |
| YLM100 -ⅰ | 90 | 48 | 15 | φ 100 | / | / | φ 6 | M20 × 1.5 |
| YLM100 -ⅱ | 83 | 44 | 34 | φ 100 | / | / | φ 6 | M20 × 1.5 |
| YLM100 -ⅳ | 68 | 44 | 34 | φ 100 | φ 6 | φ 118 | φ 6 | M20 × 1.5 |
| YLM100 -ⅵ | 90 | 48 | 15 | φ 100 | φ 6 | φ 118 | φ 6 | M20 × 1.5 |
| YLM150 -ⅰ | 117 | 51 | 16.5 | φ 150 | / | / | φ 6 | M20 × 1.5 |
| YLM150 -ⅱ | 92 | 52 | 55 | φ 150 | / | / | φ 6 | M20 × 1.5 |
| YLM150 -ⅳ | 69 | 52 | 55 | φ 150 | φ 6 | φ 165 | φ 6 | M20 × 1.5 |
| YLM150 -ⅵ | 117 | 53 | 28 | φ 150 | φ 6 | φ 165 | φ 6 | M20 × 1.5 |


















