◆ 모델 : YQ40 YQ50 YQ60 YQ75 YQ100 YQ150
◆ 사용 :이 일련의 게이지는 모두 스테인리스 스틸로 만들어졌으며, 상단에 내부 안전 파티션 및 압력 릴리프 구멍이 있으며, 탄성 요소의 과부하 또는 피로로 인한 파열로 인한 파열로 인한 과도한 압력을 방출하여 운영자 및 장비 및 시설의 안전성을 보호하며, 액체로 채워진 마개가 채워져 배지 상단에 액체로 채워질 수 있습니다. 액체로 채워진 안전 게이지는 진동에 강하며 진동으로 인해 게이지 내부의 손상을 방지하고 마모와 부식을 최소화하기 위해 내부 구성 요소를 윤활합니다.
이 게이지는 시추, 정제, 화학, 식품, 제약, 해양, 해외 석유 플랫폼 및 기타 산업에 널리 사용됩니다.
| 모델 번호 | YQ60 | YQ100 | YQ150 | |
| 공칭 직경 | φ 60 | φ 100 | φ 150 | |
| 설치 양식 | ⅰ | * | * | * |
| ⅱ | * | * | * | |
| ⅲ | * | / | / | |
| ⅳ | * | * | * | |
| ⅴ | * | / | / | |
| ⅵ | * | * | * | |
| 커넥터 스레드 | M14 × 1.5 | M20 × 1.5 | ||
| 정확도 클래스 | 2.5 | 1.6 | ||
| 측정 범위 ( + MPA 둔다 | 빈: -0.1 ~ 0 압력 진공 : -0.1 ~ 0.06 -0.1 ~ 0.15 -0.1 ~ 0.3 -0.1 ~ 0.5 -0.1 ~ 0.9 -0.1 ~ 1.5 -0.1 ~ 2.4 압력: 0 ~ 0.1 0 ~ 0.16 0 ~ 0.25 0 ~ 0.4 0 ~ 0.6 0 ~ 1 0 ~ 1.6 0 ~ 2.5 0 ~ 4 0 ~ 6 0 ~ 10 0 ~ 16 0 ~ 25 0 ~ 40 0 ~ 60 0 ~ 100 0 ~ 160 0 ~ 250 | |||
| 환경 적 사용 조건 | 온도 : -40 ℃~ 70 ℃ | |||
| 진동 등급 | 다섯 · 시간 · 3 | |||
| Borden 튜브 재료 | OCR18NI12MO2TI ; SUS316 ; SUS316L | |||
| 케이스 및 커넥터 자료 | 1cr18ni9ti ; SUS304 | |||
| 보호 수업 | IP65 | |||
| 구현 표준 | GB/T1226 | |||
| 참고 : 1. 공동 스레드는 사용자 요구 사항에 따라 사용자 정의 할 수 있습니다. | ||||
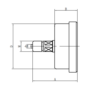
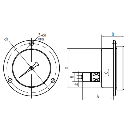
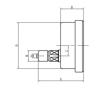
◆ 외부 치수 :
| 방사형 직접 유형 (() | 축 편심 직접 유형 (ⅱ) |
| 축 방향 동심 직접 유형 (III) | 축 편심 삽입 유형 (IV) |
| 축 방향 동심 삽입 유형 (V) | 방사형 볼록 유형 (vi) |
| 모델 번호 | 전체 차원 ( mm 둔다 | |||||||
| 에이 | 비 | 기음 | 디 | D0 | D1 | D2 | 중 | |
| YQ60- ⅰ | 56 | 33 | 11 | φ 60 | / | / | φ 5 | M14 × 1.5 |
| YQ60- ⅱ | 61 | 32.5 | 18 | φ 60 | / | / | φ 5 | |
| YQ60- ⅲ | 61 | 32.5 | / | φ 60 | / | / | φ 5 | M14 × 1.5 |
| YQ60- ⅳ | 55 | 32.5 | 18 | φ 60 | φ 5 | φ 75 | φ 5 | |
| YQ60- ⅴ | 55 | 32.5 | / | φ 60 | φ 5 | φ 75 | φ 5 | M14 × 1.5 |
| YQ60- ⅵ | 56 | 33 | 11 | φ 60 | φ 5 | φ 75 | φ 5 | M14 × 1.5 |
| YQ100- ⅰ | 90 | 48 | 15 | φ 100 | / | / | φ 6 | M20 × 1.5 |
| YQ100- ⅱ | 83 | 44 | 34 | φ 100 | / | / | φ 6 | M20 × 1.5 |
| YQ100- ⅳ | 68 | 44 | 34 | φ 100 | φ 6 | φ 118 | φ 6 | M20 × 1.5 |
| YQ100- ⅵ | 90 | 48 | 15 | φ 100 | φ 6 | φ 118 | φ 6 | M20 × 1.5 |
| YQ150- ⅰ | 117 | 51 | 16.5 | φ 150 | / | / | φ 6 | M20 × 1.5 |
| YQ150- ⅱ | 92 | 52 | 55 | φ 150 | / | / | φ 6 | M20 × 1.5 |
| YQ150- ⅳ | 69 | 52 | 55 | φ 150 | φ 6 | φ 165 | φ 6 | M20 × 1.5 |
| YQ150- ⅵ | 117 | 53 | 28 | φ 150 | φ 6 | φ 165 | φ 6 | M20 × 1.5 |


















