◆ 모델 : y¨-ml y¨-mf y¨-mg y¨-mz y¨-mk y¨-mn y¨-ms
◆ 적용 : 간접 측정 구조로 인해 다이어프램 압력 게이지는 높은 점도, 결정화 쉬운 강한 부식 및 고온으로 액체, 가스 또는 과립 유동 고형물의 압력을 측정하는 데 적합합니다. 분리 다이어프램은 다양한 부식성 매체에 적응하기위한 다양한 재료를 가지고 있습니다.
이 기기는 주로 화학 섬유, 합성 섬유, 석유, 염색, 알칼리, 산, 음식, 의약품, 건축, 광업, 제련 및 기타 산업에 사용됩니다.
이 유형의 기기의 게이지 헤드는 일반적인 압력 게이지, 충격 방지 압력 게이지, 다양한 전기 접촉 압력 게이지, 다양한 충격 방지 전기 접촉 압력 게이지, 압력 트랜스미터, 원격 압력 게이지, 디지털 압력 게이지, 압력 제어기 등 다양한 시리즈로 사용할 수 있습니다.
◆ 구조 원칙 :
이 기기는 간접 측정입니다. 분리 다이어프램 변형 측정 된 배지의 압력 하에서 밀봉 액체가 압력을 가하고 압력이 압력으로 전달됩니다.
밀봉 액체에 압력이 가해지고 압력은 측정 된 중간 압력의 값을 보여주는 감지 기기로 수행됩니다.
◆ 기술 매개 변수 :
| 미터 헤드 모델 | 다양한 유형의 압력 기기, 압력 송신기, 압력 컨트롤러 등 | |||
| 정확도 클래스 | 1.6 ; 2.5 | |||
| 정확도 클래스 ( MPA 둔다 | 0 ~ 0.1 0 ~ 0.16 0 ~ 0.25 0 ~ 0.4 0 ~ 0.6 0 ~ 1 0 ~ 1.6 0 ~ 2.5 0 ~ 4 0 ~ 6 0 ~ 10 0 ~ 16 0 ~ 25 0 ~ 40 | |||
| 다이어프램 재료 | 별명 | 재료 | 별명 | 재료 |
| 1 | 0CR18NI12MO2 | 5 | Hastelloy C (H276C) | |
| 2 | SUS304 | 6 | 모넬 합금 (CU30NI70) | |
| 3 | SUS316 | 7 | 탄탈 룸 (TA) | |
| 4 | SUS316L | 8 | 형광성 (PTFE) | |
| 차단기 재료 | 1CR18NI9; 304; 316; 316L; f4; PVC 등 | |||
| 가스켓 재료 밀봉 | NBR; 의료 실리콘 고무; ptfe; 석묵; 플루오로 엘라 스토머; 등. | |||
| 충전 전도 유체 | 메틸 실리콘 오일, 식물성 오일, 글리세린, 불소 오일 등 | |||
| 온도 효과 | 전도성 유체의 열 팽창 및 다이어프램의 강성은 온도와 관련이 있기 때문에 작동 온도가 20 ± 5 ° C에서 벗어날 때 오차 값은 0.1%/° C입니다. | |||
| 부식 보호 | 이 성능에는 환경의 부식 특성과 측정 매체가 포함되며, 제배기, 다이어프램 시트 및 밀봉 와셔의 재료는 사용 조건에 따라 선택 될 수 있습니다. | |||
| 레벨 차이 | 호스 연결 다이어프램 압력 게이지 설치의 측정 지점과 압력 게이지가 높이가 다른 경우 압력 차이에 의해 생성 된 액체 레벨 차이 △ P는 기기의 측정 값에 영향을 미칩니다. 공식은 다음과 같습니다. | |||
| 구현 표준 | JB/T 8624 | |||
| 참고 : 1, 커넥터 스레드는 사용자 요구 사항에 따라 사용자 정의 할 수 있습니다. 2 can 연결 플랜지 연결 사용자 요구 사항 플랜지 표준에 따라 사용자 정의 할 수 있습니다. | ||||
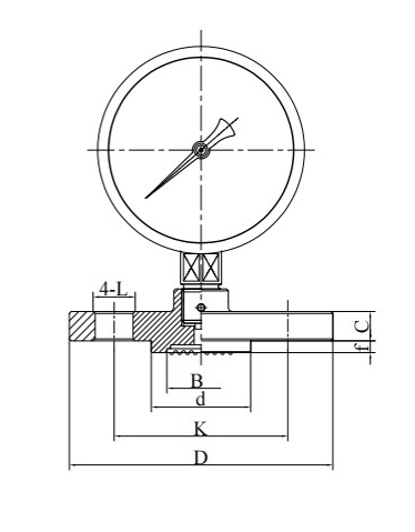
◆ Isolator 유형 크기 및 설치 회로도 :
| (ML) 스레드 인터페이스 | (MF) 열린 얼굴 플랜지 |
























