◆ 모델 : YP100-L YP150-L YP100-F YP150-F
◆ 모델 : YP100-L YP150-L YP100-F YP150-F
◆ 기술 매개 변수 :
| 모델 | YP100-엘 、 YP100-에프 | YP150-L 、 YP150-에프 |
| 공칭 직경 | 에프 100 | F 150 |
| 정확도 클래스 | 2.5 | |
| 측정 범위 ( + KPA 둔다 | 부압 : -60 ~ 0-40 ~ 0-25 ~ 0-16 ~ 0-10 ~ 0 0 ~ 10-6 ~ 0-4 ~ 0 -2.5 ~ 0-1.6 ~ 0 양압 : 0 ~ 1.6 0 ~ 2.5 0 ~ 4 0 ~ 6 0 ~ 1 0 ~ 1.6 0 ~ 2.5 양성 및 부정적 압력 : -0.8 ~ 0.8-1.2 ~ 1.2-2 ~ 2-3 ~ 3 -5 ~ 5-8 ~ 8-12 ~ 12-20 ~ 20-30 ~ 30 | |
| 측정 범위 ( + MPA 둔다 | 진공: -0.1 ~ 0 압력 진공 : -0.1 ~ 0.06 -0.1 ~ 0.15 -0.1 ~ 0.3 -0.1 ~ 0.5 -0.1 ~ 0.9 -0.1 ~ 1.5 -0.1 ~ 2.4 압력: 0 ~ 0.06 0 ~ 0.1 0 ~ 0.16 0 ~ 0.25 0 ~ 0.4 0 ~ 0.6 0 ~ 1 0 ~ 1.6 0 ~ 2.5 | |
| 주변 온도를 사용하십시오 | -40 ℃~ 70 ℃ | |
| 다이어프램 재료 | OCR18NI12MO2TI ; SUS316 ; | |
| 장착 유형 | 나사 ( L )); 플랜지 ( F ), ( F1 ) | |
| 진동 저항 등급 | 다섯 · 시간 · 2 | |
| 유입 보호 | IP64 | |
| 표준을 시행하십시오 | JB/T 5491 | |
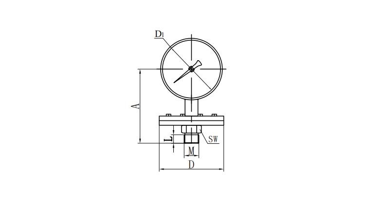
◆ 외부 치수 :
나사 ( 엘 )
| 모델 | 치수( mm )) | |||||
| 에이 | 디 | D1 | SW | 엘 | 중 | |
| YP100-L | 135 | φ 97.5 미세 절제 φ 165 | 110 | 27 | 20 | 중20 × 1.5 |
| YP150-L | 160 | 160 | 27 | 20 | M20 × 1.5 | |
| 참고 : 관절 스레드 ( M ) 사용자 요구 사항에 따라 파이프 스레드 또는 테이퍼 파이프 스레드로 만들 수 있습니다 (선택 안내서 참조). | ||||||
Wuxi Huihua Special Instrumentation Co., Ltd. was established in December 2001, the registered capital is 5 million yuan, the existing staff of more than 50 small and medium-sized joint-stock enterprises.
이 회사는 수입 기기의 현지화에 대한 대안의 다양한 유형의 특수 기기 생산을 전문으로합니다. 지진 압력 게이지, 지진 전기 접촉 압력 게이지, 스테인레스 스틸 압력 게이지, 다이어프램 부식 압력 제압 게이지, 해양 압력 게이지 및 기타 시리즈. 현장 기기를 기준으로, 우리는 다양한 종류의 압력 송신기, 압력 컨트롤러, 디지털 압력 게이지 등을 개발했습니다. 30 개 이상의 시리즈와 3000 개의 사양이 있습니다. 공급 제품은 석유, 화학, 종이, 야금, 채굴, 화학 섬유, 전력, 식품, 환경 보호, 고무 및 플라스틱, 유압 및 기타 많은 산업 및 2,000 명 이상의 국내 고객에게 널리 사용되며, 대규모 대규모 및 중형 기업과 우호적 인 관계를 구축하고 대다수의 사용자 브랜드를 수립했습니다.
처럼 YP 시리즈 다이어프램 압력 게이지 Manufacturers, 엄격한 품질 관리 프로세스는 제조 시스템 전체에 걸쳐 일관된 품질이 생산되도록합니다.
압력 게이지는 모든 산업, 기계 또는 프로세스 환경에서 가장 기본적인 도구 중 하나입니다. 유체 또는 가스 압력을 실시간으로 측정하여 운영자가 시스템 성능을 모니터링하고 장비 손상을 방지하며 직원 안전을 보장할 수 있습니다. 그러나 "압력 게이지"라는 용어는 놀랍도록 광범위한 계측기 범주를 포괄하며 각 계측기는 특정 측정 원리, 작동 환경 및 정확도 요구 사항에 맞게 설계되었습니다. 사......
더 읽으십시오압력 게이지 기본 사항 이해 압력계 시스템 내의 가스 또는 액체의 압력을 측정하고 표시하기 위해 수많은 산업 전반에 걸쳐 사용되는 필수 장비입니다. 이러한 장치는 시스템 성능 모니터링, 안전 보장, 장비 손상 방지 및 최적의 작동 조건 유지에 중요한 기능을 수행합니다. 차고의 간단한 타이어 압력 게이지부터 원자력 발전소의 정교한 디지털 계측기에 이르기까지 압력 측정 장치......
더 읽으십시오차압 트랜스미터는 현대 산업 공정 제어, 측정 및 모니터링 시스템에서 필수적인 장비입니다. 이 장치는 시스템의 두 지점 사이의 압력 차이를 측정하고 이 측정값을 제어 시스템이 해석하고 조치를 취할 수 있는 표준화된 출력 신호로 변환합니다. 계측을 처음 접하는 엔지니어, 기술자 및 플랜트 운영자의 경우 차압 트랜스미터를 이해하면 유량 측정, 레벨 감지, 필터 모니터링 및 기타 수많은 중요......
더 읽으십시오