◆ 모델 : YJY100 YJY150
◆ 사용 : 절대 압력은 기준으로 절대 압력 제로 (절대 진공)로 절대 압력 0보다 높은 압력을 나타냅니다. 절대 압력 값은 다음 공식으로 표현할 수 있습니다.
절대 압력 값 = 진공 (음압) 값 대기압 값
절대 압력 게이지는 주로 일부 진공 장비의 절대 압력을 모니터링하거나 측정하는 데 사용됩니다 (예 : 진공 포장 기계, 응축 압력 및 액체의 증기 압력을 모니터링하기위한 장비 등).
◆ 작업 압력 : 정적 부하는 측정 상한 값의 최대 3/4까지 사용되며, 교환 하중은 측정 상한 값의 최대 2/3까지 사용되며 단기 압력은 측정의 상한 값까지 사용됩니다. .
◆ 기술 매개 변수 :
| 모델 번호 | yjy100 | yjy150 | |
| 공칭 직경 | φ 100 | φ 150 | |
| 설치 양식 | ⅰ | * | * |
| ⅱ | * | * | |
| ⅳ | * | * | |
| ⅵ | * | * | |
| 커넥터 스레드 | M20 × 1.5 | ||
| 정확도 클래스 | 0.4 ; 1.0 ; 1.6 ; 2.5 | ||
| 측정 범위 ( MPA 둔다 | 0 ~ 0.1 0 ~ 0.16 0 ~ 0.25 0 ~ 0.4 0 ~ 0.6 0 ~ 1 0 ~ 1.6 0 ~ 2.5 0 ~ 4 0 ~ 6 0 ~ 10 | ||
| 환경 적 사용 조건 | 온도 : -40 ℃~ 70 ℃ class 경우 (정확도 클래스 : 0.4 둔다 -50 ℃~ 160 ℃ class 경우 (정확도 클래스 : 1.0 ~ 2.5 둔다 상대 습도 : ≦ 80 % | ||
| 진동 등급 | 다섯 · 시간 · 2 ; 다섯 · 시간 · 3 | ||
| 보호 수업 | IP65 | ||
| 구현 표준 | | ||
| 참고 : 1. 공동 스레드는 사용자 요구 사항에 따라 사용자 정의 할 수 있습니다. | |||
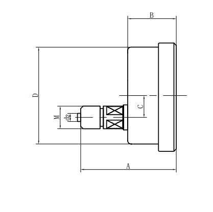
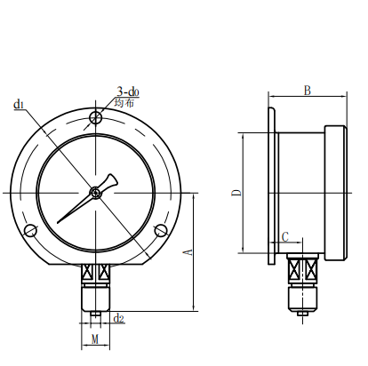
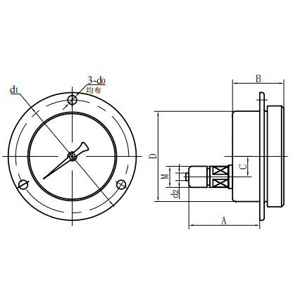
◆ 외부 치수 :
|
방사형 직접 유형 (() | 축 편심 직접 유형 (ⅱ) |
| 축 방향 동심 직접 유형 (III) | 축 편심 삽입 유형 (iv) |
| 모델 번호 | 전체 차원 ( mm 둔다 | |||||||
| 에이 | 비 | 기음 | 디 | D0 | D1 | D2 | 중 | |
| yjy100 -ⅰ | 90 | 48 | 15 | φ 100 | / | / | φ 6 | M20 × 1.5 |
| yjy100 -ⅱ | 83 | 44 | 34 | φ 100 | / | / | φ 6 | M20 × 1.5 |
| yjy100 -ⅳ | 68 | 44 | 34 | φ 100 | φ 6 | φ 118 | φ 6 | M20 × 1.5 |
| yjy100 -ⅵ | 90 | 48 | 15 | φ 100 | φ 6 | φ 118 | φ 6 | M20 × 1.5 |
| yjy150 -ⅰ | 117 | 51 | 16.5 | φ 150 | / | / | φ 6 | M20 × 1.5 |
| yjy150 -ⅱ | 92 | 52 | 55 | φ 150 | / | / | φ 6 | M20 × 1.5 |
| yjy150 -ⅳ | 69 | 52 | 55 | φ 150 | φ 6 | φ 165 | φ 6 | M20 × 1.5 |
| yjy150 -ⅵ | 117 | 53 | 28 | φ 150 | φ 6 | φ 165 | φ 6 | M20 × 1.5 |
























