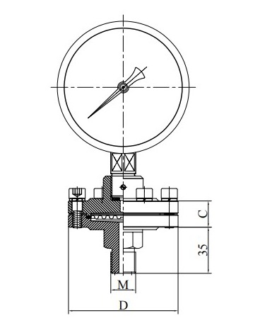
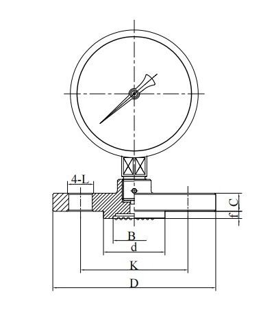
◆ 모델 : YTZ100, YTZ-150
◆ 응용 :이 유형의 기기는 폭발 위험이없는 액체, 가스 또는 증기의 압력, 결정화, 응고 없음 및 구리 및 구리 합금에 대한 부식 효과가 없음을 측정하는 데 적합합니다.
스테인레스 스틸로 만들어진이 제품은 약하게 부식성이지만 폭발성, 결정화 또는 고형화되지 않은 액체, 가스 또는 증기의 압력을 측정하는 데 사용할 수 있습니다.
◆ 충격 방지 유형 압력 게이지를 만들 필요가 있다면 글리세린 또는 실리콘 오일로 채울 수 있습니다.


















