◆ 모델 : YC40 YC50 YC60 YC75 YC100 YC150
◆ 사용 :이 일련의 기기는 폭발 위험, 결정화 또는 선박 및 관련 장비의 고형화없이 액체, 가스, 증기 및 기타 유체 매체의 압력을 측정하는 데 적합합니다.
이 일련의 악기는 다이얼의 주요 규모에 빛나는 유형을 가지며 포인터의 프론트 엔드는 활성 또는 수동 영구 발광제로 코팅되므로 압력 값은 어두운 곳에서 명확하게 읽을 수 있습니다.
이 일련의 악기의 껍질은 완전히 밀봉되어 있으며 해수 부식에 대한 특정 저항력이 있으므로 기기의 내부 구성 요소가 파도와 해수에 의한 손상과 부식으로부터 보호합니다.
이 일련의 기기는 또한 껍질의 저점 값 감쇠 오일로 채워질 수 있으며, 바다의 악천후와 중간 압력 맥동으로 인한 작업 환경의 진동에 저항 할 수 있습니다.
이 일련의 기기는 주로 해외 운송, 해외 석유 및 가스 필드, 해양 시추 플랫폼, 해저 채굴, 내륙 내비게이션 및 기타 산업에 사용됩니다.
◆ 기술 매개 변수 :
| 모델 번호 | YLM60 | YLM100 | YLM150 | |
| 공칭 직경 | φ 60 | φ 100 | φ 150 | |
| 장착 유형 | ⅰ | * | * | * |
| ⅱ | * | * | * | |
| ⅲ | * | / | / | |
| ⅳ | * | * | * | |
| ⅴ | * | / | / | |
| ⅵ | * | * | * | |
| 커넥터 스레드 | M14 × 1.5 | M20 × 1.5 | ||
| 정확도 클래스 | 2.5 | 1.6 | ||
| 측정 범위 ( + MPA 둔다 | 빈: -0.1 ~ 0 압력 진공 : -0.1 ~ 0.06 -0.1 ~ 0.15 -0.1 ~ 0.3 -0.1 ~ 0.5 -0.1 ~ 0.9 -0.1 ~ 1.5 -0.1 ~ 2.4 압력: 0 ~ 0.1 0 ~ 0.16 0 ~ 0.25 0 ~ 0.4 0 ~ 0.6 0 ~ 1 0 ~ 1.6 0 ~ 2.5 0 ~ 4 0 ~ 6 0 ~ 10 0 ~ 16 0 ~ 25 0 ~ 40 0 ~ 60 0 ~ 100 、 0 ~ 160 、 0 ~ 250 |
| 환경 적 사용 조건 | 온도 : -40 ℃~ 70 ℃ |
| 진동 등급 | 일반 유형 : 다섯 · 시간 · 3 ; 지진 유형 (액체로 채워진 유형) : 다섯 · 시간 · 4 |
| Borden 튜브 재료 | QSN4-0.3 、 OCR18NI12MO2TI |
| 케이스 및 커넥터 자료 | 1cr18ni9ti ; SUS304 |
| 보호 수업 | IP65 |
| 구현 표준 | GB/T 1226 ; JB/T 6804 |
| 참고 : 1. 공동 스레드는 사용자 요구 사항에 따라 사용자 정의 할 수 있습니다. | |
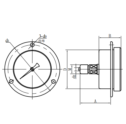
◆ 외부 치수 :
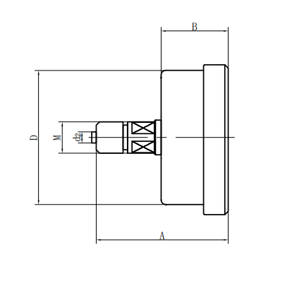
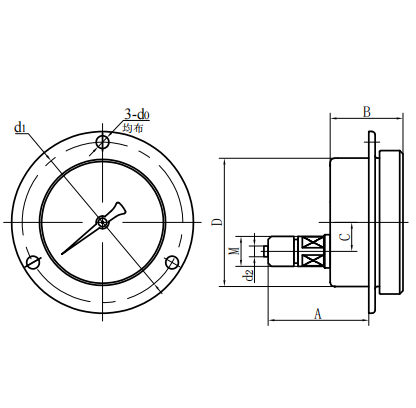
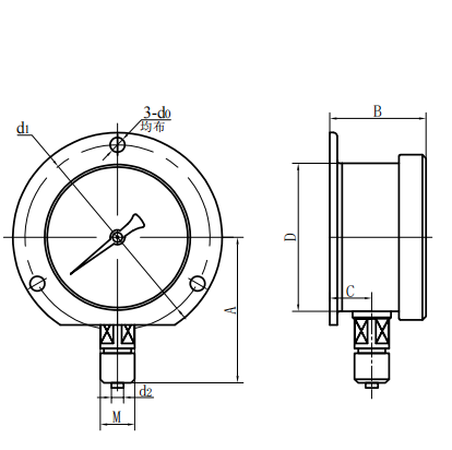
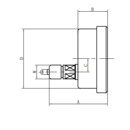
| 방사형 직접 유형 (() | 축 편심 직접 유형 (ⅱ) |
| 축 방향 동심 직접 유형 (III) | 축 편심 삽입 유형 (IV) |
| 축 방향 동심 삽입 유형 (V) | 방사형 볼록 유형 (vi) |
| 모델 번호 | 전체 치수 (mm) | |||||||
| 에이 | 비 | 기음 | 디 | D0 | D1 | D2 | 중 | |
| YC60- ⅰ | 56 | 33 | 11 | φ 60 | / | / | φ 5 | M14 × 1.5 |
| YC60- ⅱ | 61 | 32.5 | 18 | φ 60 | / | / | φ 5 | |
| YC60- ⅲ | 61 | 32.5 | / | φ 60 | / | / | φ 5 | M14 × 1.5 |
| YC60- ⅳ | 55 | 32.5 | 18 | φ 60 | φ 5 | φ 75 | φ 5 | |
| YC60- ⅴ | 55 | 32.5 | / | φ 60 | φ 5 | φ 75 | φ 5 | M14 × 1.5 |
| YC60- ⅵ | 56 | 33 | 11 | φ 60 | φ 5 | φ 75 | φ 5 | M14 × 1.5 |
| YC100- ⅰ | 90 | 48 | 15 | φ 100 | / | / | φ 6 | M20 × 1.5 |
| YC100- ⅱ | 83 | 44 | 34 | φ 100 | / | / | φ 6 | M20 × 1.5 |
| YC100- ⅳ | 68 | 44 | 34 | φ 100 | φ 6 | φ 118 | φ 6 | M20 × 1.5 |
| YC100- ⅵ | 90 | 48 | 15 | φ 100 | φ 6 | φ 118 | φ 6 | M20 × 1.5 |
| YC150- ⅰ | 117 | 51 | 16.5 | φ 150 | / | / | φ 6 | M20 × 1.5 |
| YC150- ⅱ | 92 | 52 | 55 | φ 150 | / | / | φ 6 | M20 × 1.5 |
| YC150- ⅳ | 69 | 52 | 55 | φ 150 | φ 6 | φ 165 | φ 6 | M20 × 1.5 |
| YC150- ⅵ | 117 | 53 | 28 | φ 150 | φ 6 | φ 165 | φ 6 | M20 × 1.5 |


















