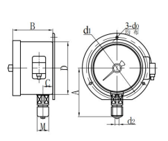
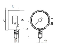
◆ 모델 : YTX100B YTX150B
◆ 용도 :이 일련의 기기는 가연성 매체와 폭발성 혼합물의 주변 환경에서 특별히 사용되며, 해당 전기 장치와 함께 액체 및 가스의 압력을 측정하면 경보 또는 자동 제어 및 기타 기능을 달성 할 수 있습니다.
기기는 큰 흡입력과 신뢰할 수있는 접촉의 특성을 갖는 자기 전기 접촉을 채택합니다.
이 기기는 요구 사항을 준수합니다 GB 3836.1-2010 "폭발성 대기 - 부분 1 : 장비에 대한 일반적인 요구 사항 "및 GB3836.2-2010 "폭발성 대기 - 부분 2 : Flameproof 인클로저에 의해 보호되는 장비 " 디 ".
















