◆ 모델 : YJ150 YJ150A
◆ 사용 :이 일련의 기기는 주로 산업 또는 시민 정상 압력 게이지를 교정하는 데 사용됩니다. 또한 공정 부위에서 구리 합금 및 합금 구조 강과 같은 비발적, 비 결정화 및 비 통합 매체의 압력을 정확하게 측정하는 데 사용될 수 있습니다.
미러 링의 설정 하에서 스케일 라인 의이 일련의 계측기는 읽기 오류를 최소화 할 수 있습니다. 사용 프로세스에서 제로 장치가있는 유형은 포인터가 0으로 돌아 가지 않으면 미디어 압력이 미세 조정 된 포인터가 될 수 있으므로 오류를 줄이기 위해 0으로 돌아갑니다. .
◆ 기술 매개 변수 :
| 모델 번호 | YJ150 | YJ150A | |
| 공칭 직경 | φ 150 | ||
| 설치 양식 | ⅰ | * | * |
| ⅳ | * | * | |
| 커넥터 스레드 | M20 × 1.5 | ||
| 정확도 클래스 | 0.4 | ||
| 측정 범위 ( MPA 둔다 | 빈: -0.1 ~ 0 압력 진공 : -0.1 ~ 0.06 -0.1 ~ 0.15 -0.1 ~ 0.3-0.1 ~ 0.5 -0.1 ~ 0.9 -0.1 ~ 1.5 -0.1 ~ 2.4 압력: 0 ~ 0.1 0 ~ 0.16 0 ~ 0.25 0 ~ 0.4 0 ~ 0.6 0 ~ 1 0 ~ 1.6 0 ~ 2.5 0 ~ 4 0 ~ 6 0 ~ 10 0 ~ 16 0 ~ 25 0 ~ 40 0 ~ 60 0 ~ 100 | ||
| 환경 적 사용 조건 | 온도 : 20 ℃ ± 3 ℃ | ||
| 진동 등급 | 다섯 · 시간 · 2 | ||
| 보호 수업 | IP54 | ||
| 구현 표준 | GB/T 1227 | ||
| 참고 : 1. 공동 스레드는 사용자 요구 사항에 따라 사용자 정의 할 수 있습니다. | |||
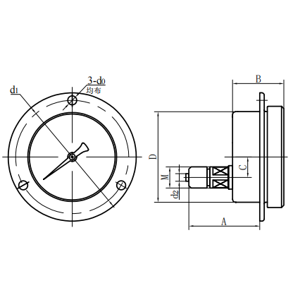
◆ 외부 치수 :
| 방사형 직접 유형 (() | 축 편심 직접 유형 (ⅱ) |
| 모델 번호 | 전체 차원 ( mm 둔다 | |||||||
| 에이 | 비 | 기음 | 디 | D0 | D1 | D2 | 중 | |
| YJ150- ⅰ YJ150A- ⅰ | 113 | 51 | 21 | φ 150 | / | / | φ 6 | M20 × 1.5 |
| YJ150- ⅳ YJ150A- ⅳ | 79 | 51 | 55 | φ 150 | φ 6 | φ 165 | φ 6 | M20 × 1.5 |


















